КаталогАктивные компонентыОптоэлектроника7-сегментные светодиодные дисплеиKCSA03-102

KCSA03-102, 7-segment LED-display green 7.62 mm SMD, Kingbright

Арт: 175-50-076
  • добавить в избранное
  • Арт: 175-50-076
  • Наименование: KCSA03-102
  • Производитель: Kingbright
  • Доп.наименование: 7-segment LED-display green 7.62 mm SMD
  • Склад:
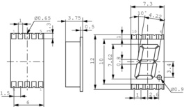
    Изображение товара дано только в качестве иллюстрации. См. спецификацию продукта (pdf)
    Заказать Цены указаны без НДС

    7-segment LED-display green 7.62 mm SMD Семейство 7-сегментные СИД-дисплеи, 7.62 mm, SMD
    Выдерживает температуру до 240 °C
    Супертонкий корпус: 3.0 mm
    Серая поверхность и белые рассеивающие сегменты Технические параметры
    • Manufacturer: Kingbright
    • Полярность: C.A.
    • Технология: GaP
    • Конструкция: SMD
    • Цвет освещения: зеленый
    • Высота символов: 7.62 мм
    • Десятичная точка: правый
    • Прямое напряжение: 2.2 В
    • Количество позиций: 1
    • Пиковая длина волны: 565 nm
    • Освещенность, стандартная: 10000 mcd 10 mA
    • Напряжение проводимости, макс.: 2.5 В
    • Напряжение проводимости, стандартное: 2.2 В
    • Ном.ток в открытом состоянии (на СИД): 20 мА