КаталогАктивные компонентыОптоэлектроника7-сегментные светодиодные дисплеиKCSC56-101

KCSC56-101, 7-segment LED-display red 14 mm SMD, Kingbright

Арт: 175-50-120
  • добавить в избранное
  • Арт: 175-50-120
  • Наименование: KCSC56-101
  • Производитель: Kingbright
  • Доп.наименование: 7-segment LED-display red 14 mm SMD
  • Склад:
    Изображение товара дано только в качестве иллюстрации. См. спецификацию продукта (pdf)
    Заказать Цены указаны без НДС

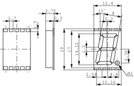
    7-segment LED-display red 14 mm SMD Семейство 7-сегментные СИД-дисплеи, 14 mm, SMD
    Выдерживает температуру до 240 °C
    Супертонкий корпус: 3,75 mm
    Серая поверхность и белые рассеивающие сегменты Технические параметры
    • Manufacturer: Kingbright
    • Полярность: C.C.
    • Технология: GaAsP/GaP
    • Конструкция: SMD
    • Цвет освещения: красный
    • Высота символов: 14 мм
    • Десятичная точка: правый
    • Прямое напряжение: 2 В
    • Количество позиций: 1
    • Пиковая длина волны: 627 nm
    • Освещенность, стандартная: 7400 mcd 10 mA
    • Напряжение проводимости, макс.: 2.5 В
    • Напряжение проводимости, стандартное: 2 В
    • Ном.ток в открытом состоянии (на СИД): 20 мА