КаталогАктивные компонентыСборочный материал для полупроводниковТеплопроводящие пленки, фольгаSP900SEAAC-43 TO220

SP900SEAAC-43 TO220, Heat conducting film TO-220, BERGQUIST

Арт: 175-59-962
SP900SEAAC-43 TO220, Heat conducting film TO-220, BERGQUIST
  • добавить в избранное
  • Арт: 175-59-962
  • Наименование: SP900SEAAC-43 TO220
  • Производитель: BERGQUIST
  • Доп.наименование: Heat conducting film TO-220
  • Склад:
    Изображение товара дано только в качестве иллюстрации. См. спецификацию продукта (pdf)
    Заказать Цены указаны без НДС

    Heat conducting film TO-220 Семейство Теплопроводящие пленки, сделанные из силикона, армированного стекловолокном Технические параметры
    • Manufacturer: BERGQUIST
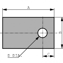
    • A: 19.05 мм
    • B: 12.70 мм
    • Цвет: розовый
    • Материал: Силикон, упрочненный стеклопластиком
    • Описание: Самоклеящаяся
    • Эластичность: 20 %
    • Термостойкость: 0.61 K/W
    • Теплопроводность: 1.6 W/mK
    • Твердость по Шору: 92 Shore A
    • Толщина материала: 0.23 мм
    • Рабочая температура: -60...+180 °C
    • Класс воспламеняемости: UL 94V-O
    • Диэлектрическая прочность: 5500 VAC
    • Рабочая температура, мин.: -60 °C
    • Рабочая температура, макс.: +180 °C
    • Форма: TO-220