КаталогАктивные компонентыСборочный материал для полупроводниковТеплопроводящие пленки, фольгаSPK10-54 TO220

SPK10-54 TO220, Heat conducting film 0.15 mm TO-220, BERGQUIST

Арт: 175-59-971
SPK10-54 TO220, Heat conducting film 0.15 mm TO-220, BERGQUIST
  • добавить в избранное
  • Арт: 175-59-971
  • Наименование: SPK10-54 TO220
  • Производитель: BERGQUIST
  • Доп.наименование: Heat conducting film 0.15 mm TO-220
  • Склад:
    Изображение товара дано только в качестве иллюстрации. См. спецификацию продукта (pdf)
    Заказать Цены указаны без НДС

    Heat conducting film 0.15 mm TO-220 Семейство Теплопроводящие пленки из каптона Технические параметры
    • Manufacturer: BERGQUIST
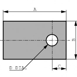
    • A: 19.05 мм
    • B: 12.70 мм
    • C: 4.75 мм
    • d: 3.73 мм
    • Цвет: бежевый
    • Материал: Polyimide (Kapton)
    • Эластичность: 40 %
    • Термостойкость: 2.01 K/W
    • Теплопроводность: 1.3 W/mK
    • Твердость по Шору: 90 Shore A
    • Толщина материала: 0.15 мм
    • Рабочая температура: -60...+180 °C
    • Класс воспламеняемости: UL 94VTM-O
    • Диэлектрическая прочность: 6000 VAC
    • Рабочая температура, мин.: -60 °C
    • Рабочая температура, макс.: +180 °C
    • Форма: TO-220