КаталогАктивные компонентыСборочный материал для полупроводниковТеплопроводящие пленки, фольгаKU-CG20-0H-ST-6-624-L

KU-CG20-0H-ST-6-624-L, Heat conducting film TO-218, Kunze Folien

Арт: 175-59-991
KU-CG20-0H-ST-6-624-L, Heat conducting film TO-218, Kunze Folien
  • добавить в избранное
  • Арт: 175-59-991
  • Наименование: KU-CG20-0H-ST-6-624-L
  • Производитель: Kunze Folien
  • Доп.наименование: Heat conducting film TO-218
  • Склад:
    Изображение товара дано только в качестве иллюстрации. См. спецификацию продукта (pdf)
    Заказать Цены указаны без НДС

    Heat conducting film TO-218 Семейство Силиконовая термопленка Технические параметры
    • Manufacturer: Kunze Folien
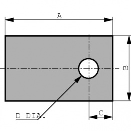
    • A: 24 мм
    • B: 21 мм
    • C: 6 мм
    • d: 3.1 мм
    • Цвет: оранжево-красный
    • Материал: Силикон, упрочненный стеклопластиком
    • Термостойкость: 0.3 K/W
    • Теплопроводность: 1.9 W/mK
    • Твердость по Шору:
      92 Shore A
    • Толщина материала: 0.2 мм
    • Рабочая температура: -60...+200 °C
    • Класс воспламеняемости: UL 94V-O
    • Диэлектрическая прочность: 5000 VAC
    • Рабочая температура, мин.: -60 °C
    • Рабочая температура, макс.: +200 °C
    • Форма: TO-218