КаталогАктивные компонентыСборочный материал для полупроводниковСветоводы1296.2004

1296.2004, Светодовод для LED; круглая; O2мм; Кол-во мод: 4, Mentor

Арт: 175-40-168
  • добавить в избранное
  • Арт: 175-40-168
  • Наименование: 1296.2004
  • Производитель: Mentor
  • Доп.наименование: Светодовод для LED; круглая; O2мм; Кол-во мод: 4
  • Склад:
    Изображение товара дано только в качестве иллюстрации. См. спецификацию продукта (pdf)
    Заказать Цены указаны без НДС

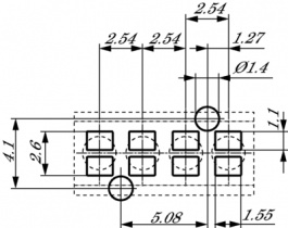
    Светодовод для LED; круглая; O2мм; Кол-во мод: 4 Семейство Миниатюрный световод для множественного дисплея, вертикальный, ø 2 mm, сферический
    Вертикальная оптоволоконная система ø 2 mm Сконфигурирована для использования в соединении с CHIPLED структурной формы 0805 или меньше Поставляемый в комплекте прерыватель прекращает излучение/используется с различными цветами Может подключаться последовательно с шагом 5,08 mm Точная подгонка благодаря зажимным штифтам Технические параметры
    • Accessory Colour: Clear
    • Angle: Straight
    • Body Length: 8.1mm
    • Cable Design: Round
    • Dimmable: No
    • Manufacturer: Mentor
    • Mounting Type: PCB
    • Number of Light Guides: 1 x 4