КаталогАктивные компонентыСборочный материал для полупроводниковСветоводы1272.1010

1272.1010, Светодовод для LED; круглая; O3мм; Кол-во мод:10, Mentor

Арт: 175-40-065
  • добавить в избранное
  • Арт: 175-40-065
  • Наименование: 1272.1010
  • Производитель: Mentor
  • Доп.наименование: Светодовод для LED; круглая; O3мм; Кол-во мод:10
  • Склад:
    Изображение товара дано только в качестве иллюстрации. См. спецификацию продукта (pdf)
    Заказать Цены указаны без НДС

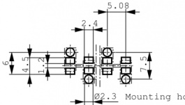
    Светодовод для LED; круглая; O3мм; Кол-во мод:10 Семейство Световод вертикальный, ø3 mm, 10x, однорядный
    Однорядная оптоволоконная система ø 3 mm Замена FEL 5,08 mm Использование в соединении с SMD СИДами Точная подгонка благодаря зажимным штифтам Технические параметры
    • Accessory Colour: Clear
    • Angle: Straight
    • Body Length: 17.9mm
    • Cable Design: Round
    • Dimmable: No
    • Manufacturer: Mentor
    • Mounting Type: PCB
    • Number of Light Guides: 1 x 10