КаталогПассивные компонентыКонденсаторыТанталовые электролитические конденсаторыТанталовые электролитические конденсаторы аксиальныеT110B106M020AT

T110B106M020AT, Конденсатор: танталовый; 10мкФ; 20ВDC; THT; Корп: B; ±20%; -55?125°C, Kemet

Арт: 167-80-001
  • добавить в избранное
  • Арт: 167-80-001
  • Наименование: T110B106M020AT
  • Производитель: Kemet
  • Доп.наименование: Конденсатор: танталовый; 10мкФ; 20ВDC; THT; Корп: B; ±20%; -55?125°C
  • Склад:
    Изображение товара дано только в качестве иллюстрации. См. спецификацию продукта (pdf)
    Заказать Цены указаны без НДС

    Конденсатор: танталовый; 10мкФ; 20ВDC; THT; Корп: B; ±20%; -55?125°C Семейство Танталовые конденсаторы, аксиальные, T110
    Температурная стабильность
    Длительный срок службы
    Для проводной и радиопередачи
    Для контрольно-измерительных приборов Технические параметры
    • Manufacturer: Kemet
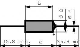
    • C: 15.5 мм
    • Длина: 12.05 мм
    • Емкость: 10 µF
    • ø d: 0.51 мм
    • Диаметр, корпус: 4.7 мм
    • Температура, мин.: -80 °C
    • Температура, макс.: +125 °C
    • Номинальное напряжение: 20 VDC
    • Температурный диапазон: -80...+125 °C
    • Допуск емкости: ±20%
    KEMET конденсаторы

    KEMET — один из крупнейших мировых производителей танталовых и керамических многослойных конденсаторов, также производит бумажные и электролитические конденсаторы. Читать далее >