КаталогПассивные компонентыРезисторы, потенциометрыВаристорыМеталлооксидные варисторы дисковыеB72220T2271K101

B72220T2271K101, ThermoFuse varistor 350 V, TDK-Epcos

Арт: 160-29-604
  • добавить в избранное
  • Арт: 160-29-604
  • Наименование: B72220T2271K101
  • Производитель: TDK-Epcos
  • Доп.наименование: ThermoFuse varistor 350 V
  • Склад:
    Изображение товара дано только в качестве иллюстрации. См. спецификацию продукта (pdf)
    Заказать Цены указаны без НДС

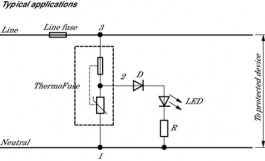
    ThermoFuse varistor 350 V Семейство Варисторы ThermoFuse, невоспламеняемые, ETFV20
    Новые варисторы ThermoFuse от Epcos ETFV служат для защиты бытовых приборов, источников питания и модемов от перенапряжения
    Дисковый варистор и плавкий предохранитель заключены в один корпус
    Мониторинг функционирования плавкого предохранителя может осуществляться через специальный выход
    Невоспламеняемый пластиковый корпус (UL 94 V-0) Технические параметры
    • Manufacturer: TDK-Epcos
    • Код: ETFV20K275E2
    • Шаг: 5 мм
    • Размеры: 22 x 25.7 mm
    • Выброс тока: 10 кА
    • Время отклика: <25 ns
    • Температура, мин.: -40 °C
    • Температура, макс.: +85 °C
    • Погрешность напряжения: ±10 %
    • Температурный диапазон: -40...+85 °C
    • Рабочее напряжение, макс.: 275 В
    • Постоянное напряжение, макс.: 350 В
    • Категория климатических условий по IEC: 40/85/56
    • Энергия: 215 J