КаталогПассивные компонентыРезисторы, потенциометрыРезисторные сборкиSIL-сборки резисторов4606X-102-561LF

4606X-102-561LF, Resistor network SIL 560 Ohm +- 2 %, Bourns

Арт: 301-94-232
  • добавить в избранное
  • Арт: 301-94-232
  • Наименование: 4606X-102-561LF
  • Производитель: Bourns
  • Доп.наименование: Resistor network SIL 560 Ohm +- 2 %
  • Склад:
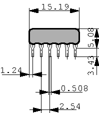
    Изображение товара дано только в качестве иллюстрации. См. спецификацию продукта (pdf)
    Заказать Цены указаны без НДС

    Resistor network SIL 560 Ohm +- 2 % Семейство Резисторные сборки, однорядные
    Сборка с 3 отдельными резисторами, изолированное соединение Технические параметры
    • Circuit Type: Isolated
    • Height Units: 6
    • Manufacturer: Bourns
    • Operating Temperature Max.: 125°C
    • Operating Temperature Min.: -55°C
    • Package Type: SIP
    • Power Rating: 750mW
    • Power Rating per Resistor: 300mW
    • Resistance: 560Ω
    • Series: 4606X
    • Termination Type: PCB Pins
    • Tolerance (±): 2%