КаталогПассивные компонентыРезисторы, потенциометрыРезисторные сборкиSIL-сборки резисторов4608X-102-104LF

4608X-102-104LF, Резисторная сборка: Y; 100кОм; Кол-во резисторов:4; THT; 0,3Вт, Bourns

Арт: 160-32-456
  • добавить в избранное
  • Арт: 160-32-456
  • Наименование: 4608X-102-104LF
  • Производитель: Bourns
  • Доп.наименование: Резисторная сборка: Y; 100кОм; Кол-во резисторов:4; THT; 0,3Вт
  • Склад:
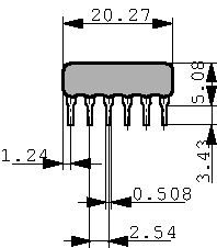
    Изображение товара дано только в качестве иллюстрации. См. спецификацию продукта (pdf)
    Заказать Цены указаны без НДС

    Резисторная сборка: Y; 100кОм; Кол-во резисторов:4; THT; 0,3Вт Семейство Резисторные сборки, низкий профиль, однорядные
    Сборки с отдельными резисторами, изолированные соединения Технические параметры
    • Manufacturer: Bourns
    • Допуск: ±2 %
    • Импеданс: 100 kΩ
    • Выход, вся сеть: 1 W 70 °C
    • Температура, мин.: -55 °C
    • Форма конструкции: Однорядный 8-полюсный
    • Температура, макс.: +125 °C
    • Количество соединений: 8
    • Температурный диапазон: -55...+125 °C
    • Выход, отдельный резистор: 0.3 W 70 °C
    • Диэлектрическая прочность: 100 В
    • Условное обозначение сопротивления: 100K
    • Количество резисторов: 4