КаталогПассивные компонентыРезисторы, потенциометрыРезисторные сборкиSIL-сборки резисторов4609X-101-222LF

4609X-101-222LF, Fixed Resistor Network 2.2 kOhm  ±  2 %, Bourns

Арт: 160-32-485
  • добавить в избранное
  • Арт: 160-32-485
  • Наименование: 4609X-101-222LF
  • Производитель: Bourns
  • Доп.наименование: Fixed Resistor Network 2.2 kOhm  ±  2 %
  • Склад:
    Изображение товара дано только в качестве иллюстрации. См. спецификацию продукта (pdf)
    Заказать Цены указаны без НДС

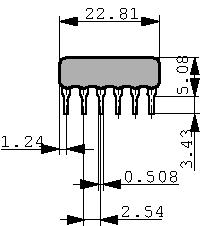
    Fixed Resistor Network 2.2 kOhm ± 2 % Семейство Резисторные сборки, низкий профиль, однорядные
    Сборки с 8 резисторами, стандартное соединение, 9 полюсов Технические параметры
    • Circuit Type: Bussed
    • Contacts: 8
    • Height Units: 9
    • Manufacturer: Bourns
    • Operating Temperature Max.: 125°C
    • Operating Temperature Min.: -55°C
    • Package Type: SIP
    • Power Rating: 1.13W
    • Power Rating per Resistor: 200mW
    • Resistance: 2.2kΩ
    • Series: 4609X
    • Termination Type: PCB Pins
    • Tolerance (±): 2%