КаталогПассивные компонентыРезисторы, потенциометрыРезисторные сборкиSIL-сборки резисторов4609X-101-332LF

4609X-101-332LF, Fixed Resistor Network 3.3 kOhm  ±  2 %, Bourns

Арт: 160-32-490
  • добавить в избранное
  • Арт: 160-32-490
  • Наименование: 4609X-101-332LF
  • Производитель: Bourns
  • Доп.наименование: Fixed Resistor Network 3.3 kOhm  ±  2 %
  • Склад:
    Изображение товара дано только в качестве иллюстрации. См. спецификацию продукта (pdf)
    Заказать Цены указаны без НДС

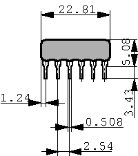
    Fixed Resistor Network 3.3 kOhm ± 2 % Семейство Резисторные сборки, низкий профиль, однорядные
    Сборки с 8 резисторами, стандартное соединение, 9 полюсов Технические параметры
    • Manufacturer: Bourns
    • Допуск: ±2 %
    • Импеданс: 3.3 kΩ
    • Выход, вся сеть: 1.13 W 70 °C
    • Температура, мин.: -55 °C
    • Форма конструкции: Однорядный 9-полюсный
    • Температура, макс.: +125 °C
    • Количество соединений: 9
    • Температурный диапазон: -55...+125 °C
    • Выход, отдельный резистор: 0.2 W 70 °C
    • Диэлектрическая прочность: 100 В
    • Условное обозначение сопротивления: 3K3
    • Количество резисторов: 8