КаталогПассивные компонентыРезисторы, потенциометрыРезисторные сборкиSIL-сборки резисторовL061S223LF

L061S223LF, Resistor network SIL 22 kOhm +- 2 %, BI Technologies

Арт: 160-32-627
  • добавить в избранное
  • Арт: 160-32-627
  • Наименование: L061S223LF
  • Производитель: BI Technologies
  • Доп.наименование: Resistor network SIL 22 kOhm +- 2 %
  • Склад:
    Изображение товара дано только в качестве иллюстрации. См. спецификацию продукта (pdf)
    Заказать Цены указаны без НДС

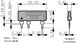
    Resistor network SIL 22 kOhm +- 2 % Семейство Резисторные сборки, низкий профиль, однорядные
    Сборки с 5 резисторами, изолированное соединение, 6 полюсов
    Соответствует MIL-R-83401 Технические параметры
    • Manufacturer: BI Technologies
    • Допуск: ±2 %
    • Импеданс: 22 kΩ
    • Выход, вся сеть: 0.6 W 70 °C
    • Температура, мин.: -55 °C
    • Форма конструкции: Однорядный 6-полюсный
    • Температура, макс.: +125 °C
    • Количество соединений: 6
    • Температурный диапазон: -55...+125 °C
    • Выход, отдельный резистор: 0.125 W 70 °C
    • Диэлектрическая прочность: 100 В
    • Условное обозначение сопротивления: 22K
    • Количество резисторов: 5