КаталогПассивные компонентыРезисторы, потенциометрыРезисторные сборкиSIL-сборки резисторовL063S472LF

L063S472LF, Fixed Resistor Network 4.7 kOhm  ±  2 %, BI Technologies

Арт: 160-32-641
  • добавить в избранное
  • Арт: 160-32-641
  • Наименование: L063S472LF
  • Производитель: BI Technologies
  • Доп.наименование: Fixed Resistor Network 4.7 kOhm  ±  2 %
  • Склад:
    Изображение товара дано только в качестве иллюстрации. См. спецификацию продукта (pdf)
    Заказать Цены указаны без НДС

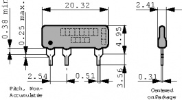
    Fixed Resistor Network 4.7 kOhm ± 2 % Семейство Резисторные сборки, низкий профиль, однорядные
    Сборка с 3 отдельными резисторами, изолированное соединение
    Соответствует MIL-R-83401 Технические параметры
    • Manufacturer: BI Technologies
    • Допуск: ±2 %
    • Импеданс: 4.7 kΩ
    • Выход, вся сеть: 0.6 W 70 °C
    • Температура, мин.: -55 °C
    • Форма конструкции: Однорядный 6-полюсный
    • Температура, макс.: +125 °C
    • Количество соединений: 6
    • Температурный диапазон: -55...+125 °C
    • Выход, отдельный резистор: 0.2 W 70 °C
    • Диэлектрическая прочность: 100 В
    • Условное обозначение сопротивления: 4K7
    • Количество резисторов: 3