Wirewound resistor 4.7 Ohm 5 W +- 1 % Семейство Резисторы с проволочной обмоткой в алюминиевом корпусе, 5 W
Водонепроницаемый корпус
С проушинами для установки в корпус
Соединение для пайки Технические параметры
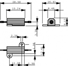
- Body Height: 8.13mm
- Body Length: 28.58mm
- Body Width: 16.41mm
- Manufacturer: Vishay
- Mounting Type: Chassis Mount
- Operating Temperature Max.: 250°C
- Operating Temperature Min.: -55°C
- Power Rating: 5W
- Resistance: 4.7Ω
- Resistor Type: Wire Resistor,Aluminium Case
- Temperature Coefficient: ±50 ppm/°C
- Termination Type: Soldering
- Tolerance (±): 1%
- Voltage Rating - DC: 1kV