КаталогПассивные компонентыРезисторы, потенциометрыПроволочные резисторыМощные резисторы в алюминиевом корпусе до 500 WRH025R0470FE05

RH025R0470FE05, Wirewound resistor 0.047 Ohm 25 W +- 1 %, Vishay

Арт: 160-24-560
  • добавить в избранное
  • Арт: 160-24-560
  • Наименование: RH025R0470FE05
  • Производитель: Vishay
  • Доп.наименование: Wirewound resistor 0.047 Ohm 25 W +- 1 %
  • Склад:
    Изображение товара дано только в качестве иллюстрации. См. спецификацию продукта (pdf)
    Заказать Цены указаны без НДС

    Wirewound resistor 0.047 Ohm 25 W +- 1 % Семейство Резисторы с проволочной обмоткой в алюминиевом корпусе, 25 W
    Водонепроницаемый корпус
    С проушинами для установки в корпус
    Соединение для пайки Технические параметры
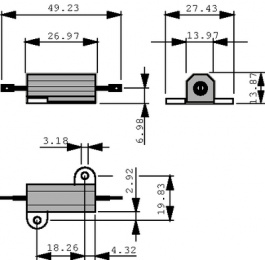
    • Body Height: 13.87mm
    • Body Length: 49.23mm
    • Body Width: 27.43mm
    • Manufacturer: Vishay
    • Mounting Type: Chassis Mount
    • Operating Temperature Max.: 250°C
    • Operating Temperature Min.: -55°C
    • Power Rating: 25W
    • Resistance: 47mΩ
    • Resistor Type: Wire Resistor,Aluminium Case
    • Temperature Coefficient: ±100 ppm/°C
    • Termination Type: Soldering
    • Tolerance (±): 1%
    • Voltage Rating - DC: 1kV
    BC Сomponents

    Компания BC Сomponents (Beyschlag Centralab), ведущий европейский изготовитель пассивных электронных компонентов, возникла при разделения компании Philips в январе 1999. С 2002 года BC Сomponents входит в состав компании Vishay. Прежний портфель и... Читать далее >