КаталогПассивные компонентыРезисторы, потенциометрыТриммерыПодстроечные керметные потенциометры однооборотные3386X-1-204LF

3386X-1-204LF, Trimmer Cermet 200 kOhm linear 500 mW, Bourns

Арт: 301-94-160
  • добавить в избранное
  • Арт: 301-94-160
  • Наименование: 3386X-1-204LF
  • Производитель: Bourns
  • Доп.наименование: Trimmer Cermet 200 kOhm linear 500 mW
  • Склад:
    Изображение товара дано только в качестве иллюстрации. См. спецификацию продукта (pdf)
    Заказать Цены указаны без НДС

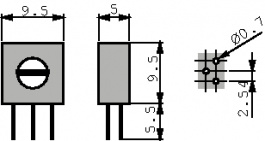
    Trimmer Cermet 200 kOhm linear 500 mW Семейство Подстроечный потенциометр, Cermet 0.5 W, серия 3386X
    Квадратный подстроечный потенциометр
    Один поворот
    Боковая регулировка (вертикальная) Технические параметры
    • Adjustment Type: Side
    • Body Orientation: Right Angle
    • Height: 9.5mm
    • Length: 9.5mm
    • Manufacturer: Bourns
    • Mounting Type: Through Hole
    • Operating Temperature Max.: 125°C
    • Operating Temperature Min.: -55°C
    • Outputs: 1
    • Power Rating: 500mW
    • Resistance: 200kΩ
    • Series: 3386
    • Termination Type: PCB Pins
    • Tolerance (±): 10%
    • Width: 4.8mm