КаталогПассивные компонентыРезисторы, потенциометрыТриммерыПодстроечные керметные потенциометры многооборотные SMD3224J-1-102E

3224J-1-102E, Trimmer Potentiometer 1 kOhm 250 mW, Bourns

Арт: 164-00-639
  • добавить в избранное
  • Арт: 164-00-639
  • Наименование: 3224J-1-102E
  • Производитель: Bourns
  • Доп.наименование: Trimmer Potentiometer 1 kOhm 250 mW
  • Склад:
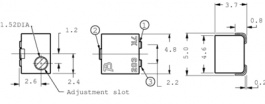
    Изображение товара дано только в качестве иллюстрации. См. спецификацию продукта (pdf)
    Заказать Цены указаны без НДС

    Trimmer Potentiometer 1 kOhm 250 mW Семейство Потенциометр Cermet SMD 0.25 W
    11-сторонний Технические параметры
    • Adjustment Type: Side
    • Body Orientation: Right Angle
    • Height: 3.71mm
    • Length: 4.6mm
    • Manufacturer: Bourns
    • Mounting Type: SMD
    • Operating Temperature Max.: 150°C
    • Operating Temperature Min.: -65°C
    • Poles: 12
    • Power Rating: 250mW
    • Resistance: 1kΩ
    • Series: 3224
    • Termination Type: J-Lead
    • Tolerance (±): 10%
    • Width: 4.8mm