КаталогПассивные компонентыРезисторы, потенциометрыТриммерыПодстроечные керметные потенциометры многооборотные67PR10LF

67PR10LF, Trimmer Potentiometer 10 Ohm 500 mW, BI Technologies

Арт: 164-34-460
  • добавить в избранное
  • Арт: 164-34-460
  • Наименование: 67PR10LF
  • Производитель: BI Technologies
  • Доп.наименование: Trimmer Potentiometer 10 Ohm 500 mW
  • Склад:
    Изображение товара дано только в качестве иллюстрации. См. спецификацию продукта (pdf)
    Заказать Цены указаны без НДС

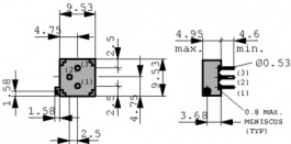
    Trimmer Potentiometer 10 Ohm 500 mW Семейство Подстроечный потенциометр, Cermet 0.5 W
    20-позиционный Технические параметры
    • Manufacturer: BI Technologies
    • Допуск: ±10 %
    • Кривая: линейный
    • Импеданс: 10 Ω
    • Мощность: 500 мВт
    • Повороты: 20
    • Угол вращения: 7200 °
    • Температура, мин.: -55 °C
    • Температура, макс.: +125 °C
    • Температурный диапазон: -55...+125 °C
    • Диэлектрическая прочность: 900 VAC
    • Условное обозначение сопротивления: 10R