КаталогПассивные компонентыРезисторы, потенциометрыТриммерыПодстроечные керметные потенциометры многооборотные67XR500KLF

67XR500KLF, Trimmer Cermet 500 kOhm linear 500 mW, BI Technologies

Арт: 164-34-471
  • добавить в избранное
  • Арт: 164-34-471
  • Наименование: 67XR500KLF
  • Производитель: BI Technologies
  • Доп.наименование: Trimmer Cermet 500 kOhm linear 500 mW
  • Склад:
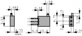
    Изображение товара дано только в качестве иллюстрации. См. спецификацию продукта (pdf)
    Заказать Цены указаны без НДС

    Trimmer Cermet 500 kOhm linear 500 mW Семейство Подстроечный потенциометр, Cermet 0.5 W
    20-сторонний Технические параметры
    • Manufacturer: BI Technologies
    • Допуск: ±10 %
    • Кривая: линейный
    • Импеданс: 500 kΩ
    • Мощность: 500 мВт
    • Повороты: 20
    • Угол вращения: 7200 °
    • Температура, мин.: -55 °C
    • Температура, макс.: +125 °C
    • Температурный диапазон: -55...+125 °C
    • Диэлектрическая прочность: 900 VAC
    • Условное обозначение сопротивления: 500K