КаталогПассивные компонентыРезисторы, потенциометрыТриммерыПодстроечные керметные потенциометры многооборотные78PR10LF

78PR10LF, Trimmer Cermet 0.01 kOhm linear 1 W, BI Technologies

Арт: 164-34-519
  • добавить в избранное
  • Арт: 164-34-519
  • Наименование: 78PR10LF
  • Производитель: BI Technologies
  • Доп.наименование: Trimmer Cermet 0.01 kOhm linear 1 W
  • Склад:
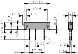
    Изображение товара дано только в качестве иллюстрации. См. спецификацию продукта (pdf)
    Заказать Цены указаны без НДС

    Trimmer Cermet 0.01 kOhm linear 1 W Семейство Подстроечный потенциометр, Cermet 1 W
    22 позиционный Технические параметры
    • Manufacturer: BI Technologies
    • Допуск: ±10 %
    • Кривая: линейный
    • Импеданс: 10 Ω
    • Мощность: 1 Вт
    • Повороты: 22
    • Угол вращения: 7920 °
    • Температура, мин.: -55 °C
    • Температура, макс.: +125 °C
    • Температурный диапазон: -55...+125 °C
    • Диэлектрическая прочность: 500 VAC
    • Условное обозначение сопротивления: 10R