КаталогПассивные компонентыРезисторы, потенциометрыРезисторы для монтажа вставкойPBV-R002-F1-1.0

PBV-R002-F1-1.0, Power resistor 0.002 Ohm 10 W +- 1 %, ISABELLENHUTTE

Арт: 160-57-542
  • добавить в избранное
  • Арт: 160-57-542
  • Наименование: PBV-R002-F1-1.0
  • Производитель: ISABELLENHUTTE
  • Доп.наименование: Power resistor 0.002 Ohm 10 W +- 1 %
  • Склад:
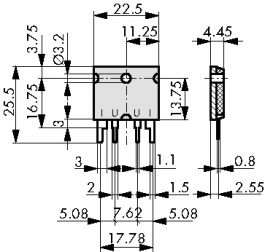
    Изображение товара дано только в качестве иллюстрации. См. спецификацию продукта (pdf)
    Заказать Цены указаны без НДС

    Power resistor 0.002 Ohm 10 W +- 1 % Семейство Четыре оконечных резистора 10 W
    Мощность всего 10 W при наличии охладителя Технические параметры
    • Body Height: 17.5mm
    • Body Length: 22.5mm
    • Body Width: 4.45mm
    • Manufacturer: ISABELLENHUTTE
    • Mounting Type: Through Hole
    • Operating Temperature Max.: 125°C
    • Operating Temperature Min.: -55°C
    • Power Rating: 3W
    • Resistance: 2mΩ
    • Resistor Type: Metal Film
    • Temperature Coefficient: ±30 ppm/K
    • Termination Type: Radial Leads
    • Tolerance (±): 1%