КаталогПассивные компонентыФерриты, индуктивности, фильтрыФерритыСердечники тороидальныеT106-26

T106-26, Ferrite toroidal core 26, Amidon

Арт: 158-72-890
T106-26, Ferrite toroidal core 26, Amidon
  • Склад:
    Изображение товара дано только в качестве иллюстрации. См. спецификацию продукта (pdf)
    Заказать Цены указаны без НДС

    Ferrite toroidal core 26 Семейство Тороидальные сердечники из железного порошка
    Тороидальные сердечники из железного порошка для использования в качестве ВЧ катушек индуктивности, импульсных трансформаторов и дросселей фильтров
    Плотность потока высокой насыщенности
    Стабильные температура и частота с высоким Q-значением
    Материал -26 особенно подходит для дросселя фильтра Технические параметры
    • Contacts: 26
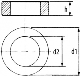
    • External Diameter: 26.93mm
    • Height: 11.1mm
    • Inductance AL: 930µH
    • Internal Diameter: 14.48mm
    • Manufacturer: Amidon
    • Relative Magnetic Permeability: 75