КаталогПассивные компонентыФерриты, индуктивности, фильтрыФерритыСердечники с двумя отверстиямиB62152-A4-X1

B62152-A4-X1, Twin hole cores K1, TDK-Epcos

Арт: 158-61-117
  • Склад:
    Изображение товара дано только в качестве иллюстрации. См. спецификацию продукта (pdf)
    Заказать Цены указаны без НДС

    Twin hole cores K1 Семейство Двойные сердечники с отверстиями, Epcos
    Главным образом, для широкополосных трансформаторов
    Материал N30 для более низких частот
    Материал К1 для частот до 250 MHz Технические параметры
    • Manufacturer: TDK-Epcos
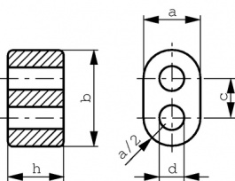
    • A: 8.5 мм
    • B: 14.5 мм
    • C: 5.85 мм
    • d: 3.4 мм
    • h: 8.3 мм
    • Материал: K1
    • Описание: Парные сердечники с отверстиями
    • Постоянная индуктивности: 190 nH
    • Относительная магнитная проницаемость: 80