КаталогПассивные компонентыФерриты, индуктивности, фильтрыФерритыСердечники с двумя отверстиямиB62152A7X1

B62152A7X1, Ferrite core B62152A7X1/K1 K1, TDK-Epcos

Арт: 158-61-133
  • добавить в избранное
  • Арт: 158-61-133
  • Наименование: B62152A7X1
  • Производитель: TDK-Epcos
  • Доп.наименование: Ferrite core B62152A7X1/K1 K1
  • Склад:
    Изображение товара дано только в качестве иллюстрации. См. спецификацию продукта (pdf)
    Заказать Цены указаны без НДС

    Ferrite core B62152A7X1/K1 K1 Семейство Двойные сердечники с отверстиями, Epcos
    Главным образом, для широкополосных трансформаторов
    Материал N30 для более низких частот
    Материал К1 для частот до 250 MHz Технические параметры
    • Core Material Grade: K1
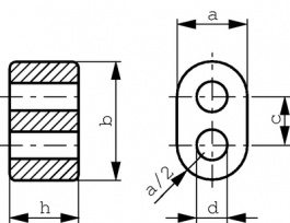
    • Effective Cross Section Area Ae: 10.2mm²
    • Effective Magnetic Path Length Ie: 7.6mm
    • Height: 14.5mm
    • Hole Diameter: 3.4mm
    • Inductance AL: 140nH
    • Length: 14.5mm
    • Manufacturer: TDK-Epcos
    • Width: 8.5mm