КаталогПассивные компонентыФерриты, индуктивности, фильтрыEMI-ферритыФерриты для кабелейRI-11-25-5

RI-11-25-5, Ferrite core diam. <= 5 mm 217 Ohm @ 100 MHz, Kitagawa

Арт: 158-54-401
RI-11-25-5, Ferrite core diam. <= 5 mm 217 Ohm @ 100 MHz, Kitagawa
  • добавить в избранное
  • Арт: 158-54-401
  • Наименование: RI-11-25-5
  • Производитель: Kitagawa
  • Доп.наименование: Ferrite core diam. <= 5 mm 217 Ohm @ 100 MHz
  • Склад:
    Изображение товара дано только в качестве иллюстрации. См. спецификацию продукта (pdf)
    Заказать Цены указаны без НДС

    Ferrite core diam. <= 5 mm 217 Ohm @ 100 MHz Семейство Кольцевые сердечники, замкнутые
    Устраняют высокочастотные помехи без влияния на искомые сигналы Технические параметры
    • Manufacturer: Kitagawa
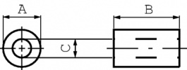
    • A: 11 мм
    • B: 25 мм
    • C: 5 мм
    • Частота: 100 МГц
    • Импеданс: 217 Ω
    • Для размера кабеля: Ø ≤5 mm
    • Материал сердечника: Феррит
    • Полное эл.сопротивление при 25 МГц: 166 Ω
    • Полное эл.сопротивление при 100 МГц: 217 Ω