КаталогПассивные компонентыФерриты, индуктивности, фильтрыEMI-ферритыФерриты для кабелейRI-12-15-7

RI-12-15-7, Ferrite core diam. <= 7 mm 92 Ohm @ 100 MHz, Kitagawa

Арт: 158-54-435
RI-12-15-7, Ferrite core diam. <= 7 mm 92 Ohm @ 100 MHz, Kitagawa
  • добавить в избранное
  • Арт: 158-54-435
  • Наименование: RI-12-15-7
  • Производитель: Kitagawa
  • Доп.наименование: Ferrite core diam. <= 7 mm 92 Ohm @ 100 MHz
  • Склад:
    Изображение товара дано только в качестве иллюстрации. См. спецификацию продукта (pdf)
    Заказать Цены указаны без НДС

    Ferrite core diam. <= 7 mm 92 Ohm @ 100 MHz Семейство Кольцевые сердечники, замкнутые
    Устраняют высокочастотные помехи без влияния на искомые сигналы Технические параметры
    • Manufacturer: Kitagawa
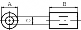
    • A: 12 мм
    • B: 15 мм
    • C: 7 мм
    • Частота: 100 МГц
    • Импеданс: 92 Ω
    • Для размера кабеля: Ø ≤7 mm
    • Материал сердечника: Феррит
    • Полное эл.сопротивление при 25 МГц: 60 Ω
    • Полное эл.сопротивление при 100 МГц: 92 Ω