КаталогПассивные компонентыФерриты, индуктивности, фильтрыИндуктивности, дросселиИндуктивности, дроссели с аксиальными выводамиB82111-E-C26

B82111-E-C26, Inductor, axial 220 uH 0.5 A, TDK-Epcos

Арт: 158-65-429
  • добавить в избранное
  • Арт: 158-65-429
  • Наименование: B82111-E-C26
  • Производитель: TDK-Epcos
  • Доп.наименование: Inductor, axial 220 uH 0.5 A
  • Склад:
    Изображение товара дано только в качестве иллюстрации. См. спецификацию продукта (pdf)
    Заказать Цены указаны без НДС

    Inductor, axial 220 uH 0.5 A Семейство Дроссели VHF
    Дроссель с однослойной обмоткой и изолирующим корпусом
    Цилиндрический ферритовый сердечник Технические параметры
    • Manufacturer: TDK-Epcos
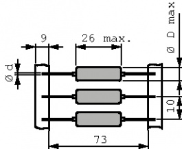
    • Длина: 26 мм
    • Допуск: ±20%
    • Диаметр: 6.5 мм
    • ø d: 0.8 мм
    • Номинальный ток: 0.5 А
    • Материал подложки: Феррит
    • Температура, мин.: -55 °C
    • Температура, макс.: +125 °C
    • Размеры (ДИАМ. x ДЛ.): 6.5 x 26 mm
    • Номинальное напряжение: 500 VAC
    • Температурный диапазон: -55...+125 °C
    • Номинальная индуктивность: 220 µH
    • Собственная частота колебаний: 32 МГц
    • Сопротивление постоянного тока: 2.6 Ω
    • Категория климатических условий по IEC: 55/125/56