КаталогПассивные компонентыФерриты, индуктивности, фильтрыИндуктивности, дросселиИндуктивности, дроссели с аксиальными выводамиB82111-E-C27

B82111-E-C27, Inductor, axial 470 uH 0.3 A, TDK-Epcos

Арт: 158-65-430
  • добавить в избранное
  • Арт: 158-65-430
  • Наименование: B82111-E-C27
  • Производитель: TDK-Epcos
  • Доп.наименование: Inductor, axial 470 uH 0.3 A
  • Склад:
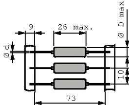
    Изображение товара дано только в качестве иллюстрации. См. спецификацию продукта (pdf)
    Заказать Цены указаны без НДС

    Inductor, axial 470 uH 0.3 A Семейство Дроссели VHF
    Дроссель с однослойной обмоткой и изолирующим корпусом
    Цилиндрический ферритовый сердечник Технические параметры
    • Core: Ferrite
    • Diameter: 6mm
    • Inductance: 470µH
    • Length: 26mm
    • Manufacturer: TDK-Epcos
    • Maximum DC Resistance: 6.5Ω
    • Operating Temperature Max.: 125°C
    • Operating Temperature Min.: -55°C
    • Packaging: Tape & Reel
    • Rated Current: 300mA
    • Self-Resonant Frequency: 25MHz
    • Series: B82111E
    • Shielding: Unshielded
    • Test Frequency: 100kHz
    • Tolerance (±): 20%