КаталогПассивные компонентыФерриты, индуктивности, фильтрыФильтры подавления помех, фильтры питанияФильтры с выводамиBNX002-01

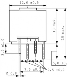
BNX002-01, Фильтр: помехоподавляющий; широкополосный; THT; 10А; 13x12x11мм, Murata

Арт: 165-64-173
BNX002-01, Фильтр: помехоподавляющий; широкополосный; THT; 10А; 13x12x11мм, Murata
  • добавить в избранное
  • Арт: 165-64-173
  • Наименование: BNX002-01
  • Производитель: Murata
  • Доп.наименование: Фильтр: помехоподавляющий; широкополосный; THT; 10А; 13x12x11мм
  • Склад:
    Изображение товара дано только в качестве иллюстрации. См. спецификацию продукта (pdf)
    Заказать Цены указаны без НДС

    Фильтр: помехоподавляющий; широкополосный; THT; 10А; 13x12x11мм Семейство Фильтр блокировочного типа ЭМС, с выводами
    Широкополосный фильтр для источников питания постоянного тока
    2-ступенчатая LC сборка Технические параметры
    • Manufacturer: Murata
    • Номинальный ток: 10 А
    • Температура, мин.: -30 °C
    • Температура, макс.: +85 °C
    • Номинальное напряжение: 50 VDC
    • Температурный диапазон: -30...+85 °C