КаталогПассивные компонентыФерриты, индуктивности, фильтрыФильтры подавления помех, фильтры питанияФильтры подавления помех для питанияFN9260-4-06

FN9260-4-06, Power inlet with filter 4 A 250 VAC, Schaffner

Арт: 169-66-674
  • добавить в избранное
  • Арт: 169-66-674
  • Наименование: FN9260-4-06
  • Производитель: Schaffner
  • Доп.наименование: Power inlet with filter 4 A 250 VAC
  • Склад:
    Изображение товара дано только в качестве иллюстрации. См. спецификацию продукта (pdf)
    Заказать Цены указаны без НДС

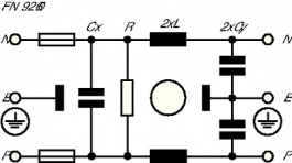
    Power inlet with filter 4 A 250 VAC Семейство Силовой разъем IEC с фильтром и держателем предохранителя
    Сетевой фильтр с входами для устройств
    Соответствует IEC 950
    Для двух предохранителей (ø 5 x 20 mm)
    В-тип для медицинского оборудования Технические параметры
    • Capacitance Cx: 100nF
    • Capacitance Cy: 2.2nF
    • Combustibility Class: UL 94 V-2
    • Continuity Check: Yes
    • Current Rating: 4A
    • Filter Type: IEC Inlet Filter
    • Height: 35mm
    • Height Units: 3
    • Inductance: 1mH
    • Inlet Type: C14
    • Leakage Current: 310µA
    • Length: 46.5mm
    • Manufacturer: Schaffner
    • Operating Temperature Max.: 85°C
    • Operating Temperature Min.: -25°C
    • Protection Rating: IP40
    • Resistance: 1MΩ
    • Termination Type: Faston Terminal
    • Voltage Rating: 250VAC
    • Width: 46mm