КаталогПассивные компонентыФерриты, индуктивности, фильтрыФильтры подавления помех, фильтры питанияФильтры подавления помех для питанияEC12.3101.001

EC12.3101.001, Power inlet with filter 12 A 250 VAC, Schurter

Арт: 169-63-535
  • добавить в избранное
  • Арт: 169-63-535
  • Наименование: EC12.3101.001
  • Производитель: Schurter
  • Доп.наименование: Power inlet with filter 12 A 250 VAC
  • Склад:
    Изображение товара дано только в качестве иллюстрации. См. спецификацию продукта (pdf)
    Заказать Цены указаны без НДС

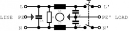
    Power inlet with filter 12 A 250 VAC Семейство Силовой вход IEC для сильного тока, фильтр и переключатель
    Комбинированный элемент для винтового крепления
    2-штырьковый сетевой выключатель, без подсветки
    С ЭМС-экранированием
    С входным разъемом для ненагревающегося оборудования Технические параметры
    • Manufacturer: Schurter
    • Импеданс: 1 MΩ
    • Ток утечки: <0.5 mAmA
    • Номинальный ток: 12 А
    • Тип подключения: Faston 6,3 x 0,8 mm
    • Температура, мин.: -25 °C
    • Температура, макс.: +85 °C
    • Емкость, CX: 100 nF
    • Емкость, CY: 2.2 nF
    • Номинальное напряжение: 250 VAC
    • Температурный диапазон: -25...+85 °C
    • Номинальная индуктивность: 0.8 mH(2x)
    • Условное обозначение сопротивления: 1 м
    • Категория климатических условий по IEC: 25/085/21