КаталогПассивные компонентыФерриты, индуктивности, фильтрыФильтры подавления помех, фильтры питанияФильтры питания для однофазных системFN612-10/06

FN612-10/06, Mains filter 10 A 250 VAC, Schaffner

Арт: 169-63-486
  • добавить в избранное
  • Арт: 169-63-486
  • Наименование: FN612-10/06
  • Производитель: Schaffner
  • Доп.наименование: Mains filter 10 A 250 VAC
  • Склад:
    Изображение товара дано только в качестве иллюстрации. См. спецификацию продукта (pdf)
    Заказать Цены указаны без НДС

    Mains filter 10 A 250 VAC Семейство Универсальный фильтр
    Для новых областей применения используйте серию FN 1010 или FN 2020 Технические параметры
    • Manufacturer: Schaffner
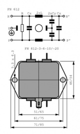
    • Длина: 51 мм
    • Высота: 29 мм
    • Ширина: 46 мм
    • Импеданс: 1 MΩ
    • Ш х В х Г: 51 x 46 x 29 mm
    • Ток утечки: <190 µA/фаза
    • Номинальный ток: 10 А
    • Тип подключения: Faston 6.3 x 0.8 mm, Solderable
    • Температура, мин.: -25 °C
    • Температура, макс.: +100 °C
    • Затухание при 10 МГц: 45 dB
    • Затухание при 150 МГц: 10 dB
    • Номинальное напряжение: 250 VAC
    • Температурный диапазон: -25...+100 °C
    • Номинальная индуктивность: 0.45 mH
    • Условное обозначение сопротивления: 1 м
    • Категория климатических условий по IEC: 25/100/21