КаталогПассивные компонентыФерриты, индуктивности, фильтрыФильтры подавления помех, фильтры питанияФильтры питания для однофазных системFN612-20/06

FN612-20/06, Mains filter 20 A 250 VAC, Schaffner

Арт: 169-63-487
  • добавить в избранное
  • Арт: 169-63-487
  • Наименование: FN612-20/06
  • Производитель: Schaffner
  • Доп.наименование: Mains filter 20 A 250 VAC
  • Склад:
    Изображение товара дано только в качестве иллюстрации. См. спецификацию продукта (pdf)
    Заказать Цены указаны без НДС

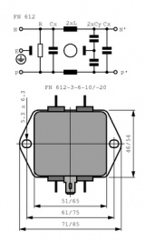
    Mains filter 20 A 250 VAC Семейство Универсальный фильтр
    Для новых областей применения используйте серию FN 1010 или FN 2020 Технические параметры
    • Manufacturer: Schaffner
    • Длина: 65 мм
    • Высота: 40 мм
    • Ширина: 54 мм
    • Импеданс: 1 MΩ
    • Ш х В х Г: 65 x 54 x 40 mm
    • Ток утечки: <190 µA/фаза
    • Номинальный ток: 20 А
    • Тип подключения: Faston 6.3 x 0.8 mm, Solderable
    • Температура, мин.: -25 °C
    • Температура, макс.: +100 °C
    • Затухание при 10 МГц: 45 dB
    • Затухание при 150 МГц: 15 dB
    • Номинальное напряжение: 250 VAC
    • Температурный диапазон: -25...+100 °C
    • Номинальная индуктивность: 0.48 mH
    • Условное обозначение сопротивления: 1 м
    • Категория климатических условий по IEC: 25/100/21