КаталогПассивные компонентыФерриты, индуктивности, фильтрыФильтры подавления помех, фильтры питанияФильтры питания для трехфазных системFN256-64/52

FN256-64/52, Mains filter 64 A 480 VAC, Schaffner

Арт: 169-67-061
  • добавить в избранное
  • Арт: 169-67-061
  • Наименование: FN256-64/52
  • Производитель: Schaffner
  • Доп.наименование: Mains filter 64 A 480 VAC
  • Склад:
    Изображение товара дано только в качестве иллюстрации. См. спецификацию продукта (pdf)
    Заказать Цены указаны без НДС

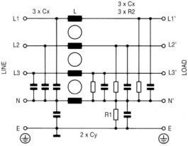
    Mains filter 64 A 480 VAC Семейство 3-фазный сетевой фильтр (высокий ток)
    Высокое затухание
    Низкий ток разряда
    Очень компактные размеры корпуса Технические параметры
    • Manufacturer: Schaffner
    • Длина: 176 мм
    • Масса: 2.2 kg
    • Высота: 125 мм
    • Ширина: 153 мм
    • Ш х В х Г: 176 x 153 x 125 mm
    • Ток утечки: <3.4 mA
    • Номинальный ток: 64 А
    • Тип подключения: Клемма с винтовым креплением
    • Температура, мин.: -25 °C
    • Температура, макс.: +100 °C
    • Номинальное напряжение: 480 VAC
    • Температурный диапазон: -25...+100 °C
    • Испытательное напряжение: 2100 VDC, 2 sec
    • Номинальная индуктивность: 1 mH
    • Категория климатических условий по IEC: 25/100/21
    • Площадь поперечного сечения соединения: 10 mm²
    • Испытательное напряжение (линия к заземлен: 2650 VDC
    • Степень защиты: IP 20
    • Количество проводников: 4