КаталогПассивные компонентыПредохранители для приборов и устройствПредохранители для измерительных приборов и полупроводниковПредохранители для полупроводников45ET

45ET, Semiconductor fuse 45 A super fast-blow, Cooper Bussmann

Арт: 133-17-958
  • добавить в избранное
  • Арт: 133-17-958
  • Наименование: 45ET
  • Производитель: Cooper Bussmann
  • Доп.наименование: Semiconductor fuse 45 A super fast-blow
  • Склад:
    Изображение товара дано только в качестве иллюстрации. См. спецификацию продукта (pdf)
    Заказать Цены указаны без НДС

    Semiconductor fuse 45 A super fast-blow Семейство Высокопроизводительные полупроводниковые предохранители, очень быстрого срабатывания Технические параметры
    • Manufacturer: Cooper Bussmann
    • Дж: 1100 A²s
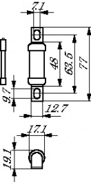
    • Длина: 48 мм
    • Диаметр: 17.1 мм
    • Размеры: 17.1 x 48 mm
    • Номинальный ток: 45 А
    • Форма конструкции: Керамическая трубка с привинчивающимися ушками
    • Разрывная мощность: 100 kA 600 VAC
    • Размеры (ДИАМ. x ДЛ.): 17.1 x 48 mm
    • Номинальное напряжение: 660 VAC
    • Характеристика (время/ток): сверхбыстрый