КаталогЭлектромеханические компонентыРазъемыРазъемы D-SUBРазъемы CAN-BUS144744

144744, D-Sub field bus connector, Erni / TE

Арт: 144-18-764
  • Склад:
    Изображение товара дано только в качестве иллюстрации. См. спецификацию продукта (pdf)
    Заказать Цены указаны без НДС

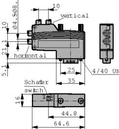
    D-Sub field bus connector Семейство Соединитель интерфейса шины для шины CAN с внешним выключателем
    Горизонтальный, вертикальный или осевой выход кабеля
    Надежный механизм разгрузки при помощи металлической манжеты
    Конструкция тип PG с дополнительным 9-полюсным штекером D-sub для обслуживания и программирования
    Для специальных жестких нагрузок возможна поставки полностью металлической версии
    Соединение винтами контактов или пружинными клеммами
    Версии HLG: На контактах только CAN высокий, низкий и земля Технические параметры
    • Manufacturer: Erni / TE
    • Цвет: черный
    • Описание: шина CAN HLG
    • Интерфейсы: Разъем D-Sub, 9-полюсный
    • Конструкция: с винтами с накатной головкой UNC 4-40 Выход кабеля, прямой или боковой с углом 90°
    • ø кабеля: 4.5...8 mm
    • Тип подключения: Контакты пружинные
    • Температура, мин.: -20 °C
    • Температура, макс.: +70 °C
    • Тип разъема, корпус: штекер
    • ø кабеля, мин.: 4.5 мм
    • ø кабеля, макс.: 8 мм
    • Пропускная способность: по характеристикам шины CAN 1 Mbit/s
    • Температурный диапазон: -20...+70 °C
    • Площадь поперечного сечения: Провод или шнур 0.08...0.5 mm²