КаталогЭлектромеханические компонентыРазъемыАудио, видео, компьютерные разъемыРазъемы RCA172-1-6

172-1-6, Female panel connector black, LIH SHENG PRECISION

Арт: 142-25-355
172-1-6, Female panel connector black, LIH SHENG PRECISION
  • добавить в избранное
  • Арт: 142-25-355
  • Наименование: 172-1-6
  • Производитель: LIH SHENG PRECISION
  • Доп.наименование: Female panel connector black
  • Склад:
    Изображение товара дано только в качестве иллюстрации. См. спецификацию продукта (pdf)
    Заказать Цены указаны без НДС

    Female panel connector black Семейство Разъем Phono для монтажа на печатной плате
    Угловой разъем Phono для монтажа на печатной плате
    Изготовлен из позолоченной меди и ABS пластика
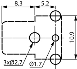
    Сверление: ø 8.3 mm Технические параметры
    • Manufacturer: LIH SHENG PRECISION
    • Конструкция: Гнездовая часть соединителя для монтажа на панели
    • Цвет кольца: черный
    • Тип разъема, корпус: гнездо