КаталогЭлектромеханические компонентыРазъемыАудио, видео, компьютерные разъемыВидеоконнекторы176-3-2

176-3-2, Video Connector mini-DIN 4P, Iditech

Арт: 142-19-481
176-3-2, Video Connector mini-DIN 4P, Iditech
  • добавить в избранное
  • Арт: 142-19-481
  • Наименование: 176-3-2
  • Производитель: Iditech
  • Доп.наименование: Video Connector mini-DIN 4P
  • Склад:
    Изображение товара дано только в качестве иллюстрации. См. спецификацию продукта (pdf)
    Заказать Цены указаны без НДС

    Video Connector mini-DIN 4P Семейство Угловой разъем mini-DIN
    Миниатюрный соединитель для аудио и видео приложений
    Паяное соединение
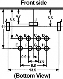
    Размеры: длина 15 x ширина 14 x высота над печатной платой 13mm
    Соединение между отверстием печатной платы и номером контакта:
    3-полюсный: D, A, F
    4-полюсный: D, A, H, E
    5-полюсный: C, D, A, H, E
    6-полюсный: C, B, D, A, H, E
    7-полюсный: C, B, D, A, H, F, E
    8-полюсный: C, B, D, G, A, H, F, E Технические параметры
    • Manufacturer: Iditech
    • Содержание: mini-DIN
    • Число полюсов: 4