КаталогЭлектромеханические компонентыРазъемыАудио, видео, компьютерные разъемыВидеоконнекторыMDC-195

MDC-195, Video Connector mini-DIN 5P, -

Арт: 142-19-622
MDC-195, Video Connector mini-DIN 5P, -
  • Склад:
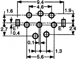
    Изображение товара дано только в качестве иллюстрации. См. спецификацию продукта (pdf)
    Заказать Цены указаны без НДС

    Video Connector mini-DIN 5P Семейство Прямой разъем mini-DIN
    Миниатюрный соединитель для аудио и видео приложений
    Паяное соединение.
    Соединитель также может быть установлен в отдельное отверстие на панели
    Отверстие панели 13.5mm Технические параметры
    • Manufacturer: -
    • Содержание: mini-DIN
    • Число полюсов: 5