КаталогЭлектромеханические компонентыРазъемыКлеммные колодки (терминальные блоки)Клеммные колодки на плату250-108

250-108, Wire-to-board terminal block 0.5...1.5 mm2 solid or stranded 3.5 mm, 8 poles, Wago

Арт: 148-33-515
  • добавить в избранное
  • Арт: 148-33-515
  • Наименование: 250-108
  • Производитель: Wago
  • Доп.наименование: Wire-to-board terminal block 0.5...1.5 mm2 solid or stranded 3.5 mm, 8 poles
  • Склад:
    Изображение товара дано только в качестве иллюстрации. См. спецификацию продукта (pdf)
    Заказать Цены указаны без НДС

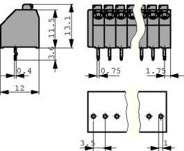
    Wire-to-board terminal block 0.5...1.5 mm2 solid or stranded 3.5 mm, 8 poles Семейство Печатный зажим 3.5 mm с вставным клеммным соединением
    Для соединения от одного провода или другого шнура через зажим
    Тестовое отверстие для тестового штырька до 1.3 mm ø
    Простое соединение: изолируйте провод и вставьте, также воспользуйтесь принтером со шнуром Технические параметры
    • Approvals: CCA CSA DNV Germanischer Lloyd KEMA-KEUR UR VDE
    • Combustibility Class: UL 94 V-0
    • Contacts: 8
    • Current Rating: 8A
    • LED Mounting: THT
    • Manufacturer: Wago
    • Operating Temperature Max.: 105°C
    • Operating Temperature Min.: -60°C
    • Orientation: 45°
    • Pitch: 3.5mm
    • Voltage Rating: 160V
    • Wire Connection Method: Spring Clamp
    • Wire Size AWG Max.: 16AWG
    • Wire Size AWG Min.: 24AWG
    • Wire Size mm2 Max.: 1.5mm²
    • Wire Size mm2 Min.: 0.2mm²