КаталогЭлектромеханические компонентыРазъемыКлеммные колодки (терминальные блоки)Клеммные колодки на плату1667750000

1667750000, PCB Terminal Block 2P3.5 mm, Weidmuller

Арт: 148-33-600
  • добавить в избранное
  • Арт: 148-33-600
  • Наименование: 1667750000
  • Производитель: Weidmuller
  • Доп.наименование: PCB Terminal Block 2P3.5 mm
  • Склад:
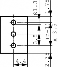
    Изображение товара дано только в качестве иллюстрации. См. спецификацию продукта (pdf)
    Заказать Цены указаны без НДС

    PCB Terminal Block 2P3.5 mm Семейство Клеммные блоки печатной платы, шаг 3,5 mm с винтовым соединением Технические параметры
    • Manufacturer: Weidmuller
    • Шаг: 3.5 мм
    • Тип подключения: Винтовое
    • Материал корпуса: PA 6.6
    • Температура, мин.: -20 °C
    • Температура, макс.: +100 °C
    • Номинальный ток по EN: 12 А
    • Номинальный ток по UL: 10 А
    • Направление соединения: горизонтальный
    • Температурный диапазон: -20...+100 °C
    • Испытательное напряжение: 2.5 кВ
    • Номинальное напряжение по EN: 125 VAC/DC
    • Номинальное напряжение по UL: 300 VAC/DC
    • Площадь поперечного сечения соединения: провод или шнур 0.08...1.5 mm²
    • Число полюсов: 2