КаталогЭлектромеханические компонентыПереключатели, кнопки, подсветкаРоторные переключателиГалетные переключатели04-1124

04-1124, Rotary Switch Non-Shorting, ELMA

Арт: 135-49-657
  • Склад:
    Изображение товара дано только в качестве иллюстрации. См. спецификацию продукта (pdf)
    Заказать Цены указаны без НДС

    Rotary Switch Non-Shorting Семейство Поворотный переключатель, Серия 04
    Четкая индексация
    С осью из нержавеющей стали и металлической втулкой для прочных устройств
    Отдельно задаваемое количество положений с вставляемым контактом (ограничитель)
    Паяные соединения или монтаж на печатной плате
    Режим переключения с/без замыкания
    Керамическая подложка для высокочастотных устройств
    Срок службы: >25 000 циклов переключения Технические параметры
    • Contact Current: 2A
    • Contact Voltage: 42VDC
    • Dimmable: No
    • Indexing Angle: 30°
    • Manufacturer: ELMA
    • Mounting Type: Panel Mount
    • Outputs: 1
    • Poles: 12
    • Protection Rating: IP60
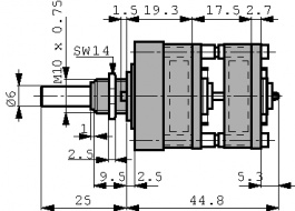
    • Suitable Shaft Size (Diameter): 6mm
    • Termination Type: Soldering Lugs