КаталогБатареи, трансформаторы, блоки питанияТрансформаторыТрансформаторы на платуТрансформаторы на плату с защитой от КЗPT 4,5/2/12

PT 4,5/2/12, PCB Transformer 4.5 VA 2 x 12VAC, BLOCK

Арт: 156-00-688
  • добавить в избранное
  • Арт: 156-00-688
  • Наименование: PT 4,5/2/12
  • Производитель: BLOCK
  • Доп.наименование: PCB Transformer 4.5 VA 2 x 12VAC
  • Склад:
    Изображение товара дано только в качестве иллюстрации. См. спецификацию продукта (pdf)
    Заказать Цены указаны без НДС

    PCB Transformer 4.5 VA 2 x 12VAC Семейство Трансформаторы для печатной платы 4.5...30 VA Технические параметры
    • Manufacturer: BLOCK
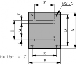
    • A: 44 мм
    • B: 37 мм
    • C: 33 мм
    • E: 28 мм
    • F: 25 мм
    • G: 15 мм
    • I: 5 мм
    • d: 35 мм
    • h: 25 мм
    • Длина: 44 мм
    • Масса: 190 g
    • Высота: 60 мм
    • Ширина: 20 мм
    • Глубина: 19 мм
    • Мощность: 4.5 VA
    • Ш х В х Г: 44 x 20 x 60 mm
    • Выходной ток: 2x187 mA
    • Вторичный контур: 4,5...30 ВА, 6...24 В перем. тока либо 2 x 6...24 В перем. тока
    • Первичный контур: 1 x 230 VAC, 50...60 Hz
    • Форма конструкции: PT 4.5
    • Испытательное напряжение: 5000 VAC
    • Напряжение вторичного контура: 12 VAC(2x)
    • Температура окружающей среды: max.40 °C