PCB transformer 13 VA 8 VAC (1x) Семейство Трансформаторы для печатной платы 4.5...30 VA Технические параметры
- Manufacturer: BLOCK
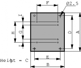
- A: 56 мм
- B: 47 мм
- C: 40 мм
- E: 37.5 мм
- F: 30 мм
- G: 20 мм
- I: 5 мм
- d: 47.5 мм
- h: 30 мм
- Длина: 56 мм
- Масса: 420 g
- Высота: 40 мм
- Ширина: 47 мм
- Мощность: 13 VA
- Ш х В х Г: 56 x 47 x 40 mm
- Выходной ток: 1688 мА
- Вторичный контур: 4,5...30 ВА, 6...24 В перем. тока либо 2 x 6...24 В перем. тока
- Первичный контур: 1 x 230 VAC, 50...60 Hz
- Форма конструкции: PT 13
- Испытательное напряжение: 5000 VAC
- Напряжение вторичного контура: 8 VAC(1x)
- Температура окружающей среды: max.40 °C