КаталогБатареи, трансформаторы, блоки питанияТрансформаторыТрансформаторы на платуТрансформаторы на плату без защиты от КЗVC 10/1/9

VC 10/1/9, PCB transformer 10 VA 9 VAC (1x), BLOCK

Арт: 156-00-790
  • добавить в избранное
  • Арт: 156-00-790
  • Наименование: VC 10/1/9
  • Производитель: BLOCK
  • Доп.наименование: PCB transformer 10 VA 9 VAC (1x)
  • Склад:
    Изображение товара дано только в качестве иллюстрации. См. спецификацию продукта (pdf)
    Заказать Цены указаны без НДС

    PCB transformer 10 VA 9 VAC (1x) Семейство Трансформаторы для печатной платы 5...16 W Технические параметры
    • Manufacturer: BLOCK
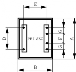
    • A: 51 мм
    • B: 43 мм
    • E: 25 мм
    • F: 15 мм
    • G: 5 мм
    • d: 25 мм
    • Длина: 51 мм
    • Масса: 280 g
    • Высота: 34.6 мм
    • Ширина: 43 мм
    • Мощность: 10 VA
    • Ш х В х Г: 51 x 43 x 34.6 mm
    • Выходной ток: 1111 мА
    • Вторичный контур: 5...16 ВА, 1 x 6...24 В перем. тока либо 2 x 9...15 В перем. тока
    • Первичный контур: 1 x 230 VAC, 50...60 Hz
    • Форма конструкции: VC 10
    • Испытательное напряжение: 5000 VAC
    • Напряжение вторичного контура: 9 VAC(1x)
    • Температура окружающей среды: max.40 °C