КаталогБатареи, трансформаторы, блоки питанияТрансформаторыТрансформаторы на платуТрансформаторы на плату без защиты от КЗVC 10/1/12

VC 10/1/12, PCB transformer 10 VA 12 VAC (1x), BLOCK

Арт: 156-00-791
  • добавить в избранное
  • Арт: 156-00-791
  • Наименование: VC 10/1/12
  • Производитель: BLOCK
  • Доп.наименование: PCB transformer 10 VA 12 VAC (1x)
  • Склад:
    Изображение товара дано только в качестве иллюстрации. См. спецификацию продукта (pdf)
    Заказать Цены указаны без НДС

    PCB transformer 10 VA 12 VAC (1x) Семейство Трансформаторы для печатной платы 5...16 W Технические параметры
    • Efficiency: 74%
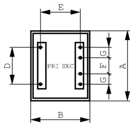
    • Height: 34.6mm
    • Input Frequency Max.: 60Hz
    • Input Frequency Min.: 50Hz
    • IP Rating: IP00
    • Length: 51mm
    • Manufacturer: BLOCK
    • Power: 10VA
    • Primary Voltage: 230VAC
    • Secondary Voltage: 12VAC
    • Series: VC Series
    • Termination Type: PCB Pins
    • Width: 43mm