КаталогБатареи, трансформаторы, блоки питанияТрансформаторыТрансформаторы на платуТрансформаторы на плату без защиты от КЗVC 16/2/9

VC 16/2/9, PCB Transformer 16 VA 2 x 9VAC, BLOCK

Арт: 156-00-804
  • добавить в избранное
  • Арт: 156-00-804
  • Наименование: VC 16/2/9
  • Производитель: BLOCK
  • Доп.наименование: PCB Transformer 16 VA 2 x 9VAC
  • Склад:
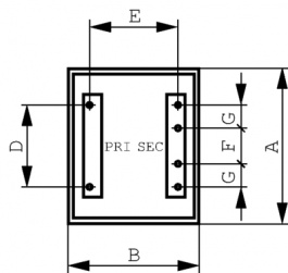
    Изображение товара дано только в качестве иллюстрации. См. спецификацию продукта (pdf)
    Заказать Цены указаны без НДС

    PCB Transformer 16 VA 2 x 9VAC Семейство Трансформаторы для печатной платы 5...16 W Технические параметры
    • Efficiency: 76%
    • Height: 39mm
    • Input Frequency Max.: 60Hz
    • Input Frequency Min.: 50Hz
    • IP Rating: IP00
    • Length: 57mm
    • Manufacturer: BLOCK
    • Power: 16VA
    • Primary Voltage: 230VAC
    • Secondary Voltage: 2x 9 VAC
    • Series: VC Series
    • Termination Type: PCB Pins
    • Width: 48mm