КаталогБатареи, трансформаторы, блоки питанияТрансформаторыТрансформаторы на платуТрансформаторы на плату без защиты от КЗVCM 25/1/12

VCM 25/1/12, PCB transformer 25 VA 12 VAC (1x), BLOCK

Арт: 156-00-812
  • добавить в избранное
  • Арт: 156-00-812
  • Наименование: VCM 25/1/12
  • Производитель: BLOCK
  • Доп.наименование: PCB transformer 25 VA 12 VAC (1x)
  • Склад:
    Изображение товара дано только в качестве иллюстрации. См. спецификацию продукта (pdf)
    Заказать Цены указаны без НДС

    PCB transformer 25 VA 12 VAC (1x) Семейство Трансформаторы для установки на печатную плату 25...50 W Технические параметры
    • Manufacturer: BLOCK
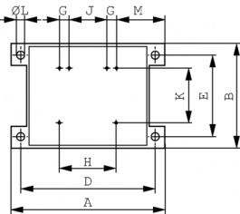
    • A: 81.2 мм
    • B: 55 мм
    • C: 49.2 мм
    • E: 43.5 мм
    • G: 5 мм
    • J: 20 мм
    • K: 32.5 мм
    • L: 4.2 мм
    • d: 72.5 мм
    • h: 30 мм
    • Длина: 81.2 мм
    • Масса: 610 g
    • Высота: 49.2 мм
    • Ширина: 55 мм
    • Мощность: 25 VA
    • Ш х В х Г: 81.2 x 55 x 49.2 mm
    • Выходной ток: 2083 мА
    • Вторичный контур: 25...50 ВА, 1 x 6...24 В перем. тока либо 2 x 9...15 В перем. тока
    • Первичный контур: 1 x 230 VAC, 50...60 Hz
    • Форма конструкции: VCM 25
    • Испытательное напряжение: 5000 VAC
    • Напряжение вторичного контура: 12 VAC(1x)
    • Температура окружающей среды: max.40 °C